Усилитель тока
Усилители постоянного тока, имеют равную АЧХ до самых низких частот.

В многокаскадных УПТ не могут быть использованы реактивные элементы связи (R, C). Спад АЧХ в области ВЧ появляется за счет паразитных емкостей каскадов, также как и в усилителе с RC связями.
А) УПТ компенсационные с 1 источника питания.
Б) Компенсационные УПТ с 2-мя источниками питания
УПТ с одним источником питания.
В УПТ с одним источником питания вместо усилительного каскада с коллекторной нагрузкой может применяться ЭП или усилительный каскад на полевом транзисторе.
Способ включения Rн и подача Uвх при этом не изменится.

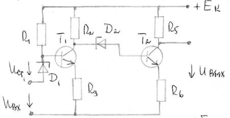
УПТ, у которого во входной цепи включены стабилитроны, на которых выделяется напряжение компенсации. Uст компенсируют постоянные напряжения в цепи базы и цепи коллектора.

Схема двухкаскадного УПТ на транзисторах различных типов (комплементарных). Входная цепь не показана, может быть как в схеме1.
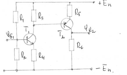
УПТ с двумя источниками питания
И зав от перечисленных недостатков применяют 2 источника питания +E1; +E2, которые создают положительные и отрицательные напряжения относительно общей точки, имеющей нулевой потенциал.

Усилитель рассчитан так, что при Uвх = 0, φб = 0, φэ ≈ -0,5В, E1 = 20B, E2 = 10B.
При подасче Uвх, возрастает ток базы транзистора → возрастает ток коллектора → ↑ UR1 → снижается φк. Снижение потенц верхнего вывода делителя R3R4 приводит к ↓ потенц. средней точки делителя и появляется отрицательный Uвых.
Дрейф в УПТ
Специфич недост который определяет нижний предел усиливаемого U.
С течением времени измен токи транзисторов и напряж на их электродах → наруш компенсация пост составл U, на выходе усилите появляется пост U при Uвх = 0.
Всякое изменение U0, Uбо из-за нестабильности источников питания, старения транзисторов, изменения температуры окружающей среды и т. д. не отличается от полезного сигнала.
Главная причина дрейфа – температурная нестабильность транзисторов.
Дифференциальный УПТ
(балансный)
Построен по принципу четырехплечего моста.

Если мост сбалансирован!!! то, при изменении Eк баланс не нарушается и в нагрузочном резисторе Rн = 0. При пропорциональном изменении сопротивления R1,R2 или R3,R4 баланс тоже не нарушается.
Если заменить R2,R3 транзисторами, получим дифференциальную схему, часто применяемую в УПТ

Сопротивление R2 и R3 равны. Режимы работы T1 и T2 одинаковы. T1 и T2 выбирают со строго идентичными параметрами.