RS генератор
Для генерирования низкочастотных гармонических колебаний широко применяются генераторы типа RC. Это усилитель на сопротивлениях с избирательной цепью положительной обратной связью. В качестве цепей положительной обратной связи используются различные варианты RC-фильтров. Частота генерируемых колебаний определяется, в первом приближении, цепью обратной связи.
RC – генераторы в области низких и инфранизких частот оказываются более эффективными и удобными в эксплуатации, нежели генераторы типа LC, поскольку на частотах ниже 15…20 кГц колебательный контур LC генератора получается слишком громоздким, трудно перестраиваемым и обладает плохой избирательностью.
Существенным достоинством RC-генератора является также широкий диапазон настройки.
Диапазон частот можно также варьировать изменением сопротивления настройки.
В работе изучаются две схемы транзисторных RC - генераторов:
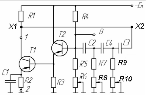
Генератор с трехзвенным Г-образным фильтром верхних частот (рис.1);
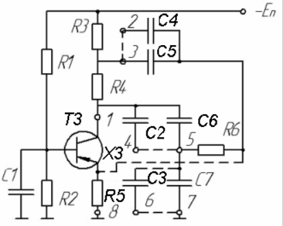
Генератор с двойным Т-образным мостом (рис.2).

Рис. 1

Рис. 2
Условия самовозбуждения автогенератора
Вопрос о возможности возникновения автоколебаний в данной схеме имеет в радиотехнике весьма широкое значение. Вопрос этот ставится как вопрос об устойчивости в том смысле, что схема устойчива, если в нормальном для нее режиме автоколебания в ней не возникают, и наоборот. Речь здесь идет об устойчивости уже существующих автоколебаний.