Модульно-рейтинговый контроль знаний
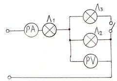
Задача №1
Как изменятся показания амперметра и вольтметра после подключения лампы Л3, если мощность ламп одинакова? Указать правильный ответ. 1. I и U увеличатся. 2. I и U уменьшатся. 3. I увеличится, U уменьшится. 4. I и U не изменятся. 5. I увеличится, U не изменится.

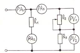
Задача №2
Как изменятся показания приборов при перемещении движка реостата R2 вниз? Указать неправильный ответ. 1. U1 уменьшится. 2. U2 увеличится 3. I1 уменьшится. 4. I2 не изменится 5. I3 увеличится.
Задача №3
На какие значения сопротивления и тока следует выбрать реостат R2 цепи, с помощью которого можно регулировать напряжение на реостате R1 в пределах 40-160 В, если U=220 В, R1=20 Ом? Указать правильный ответ.
1. 60 Ом, 3 А 2. 120 Ом, 6 А. 3. 90 Ом, 8 А. 4. 180 Ом, 8 А. 5. 60 Ом, 8 А.
Задача №4
Как изменятся показания амперметра и ваттметра после подключения к цепи сопротивления R3? Указать правильный ответ. 1.P и I увеличатся. 2. P и I уменьшатся. 3. P увеличится, I не изменится. 4. P увеличится I уменьшится. 5. P не изменится, I увеличится.

Задача №5
При каком сочетании сопротивлений показания гальванометра, в диагонали ab мостовой схемы, будут равны нулю? 1.R1=1 Ом, R2=3 Ом, R3=2 Ом, R4=6 Ом. 2. R1=2 Ом, R2=3 Ом, R3=3, Ом R4=4 Ом. 3. R1=5 Ом, R2=10 Ом, R3=10 Ом, R4=5 Ом. 4. R1=4 Ом, R2=3 Ом, R3=2 Ом, R4=1 Ом. 5. R1=10 Ом, R2=15 Ом, R3=20 Ом, R4=5 Ом.
Задача №6
Какое уравнение баланса мощностей правильно?
1.
=
![]()
2. E1I1 – E2I2 + E3I3 =
3. –E1I1 + E2I2 +E3I3 =
4. –E1I1 – E2I2 – E3I3 =
5. E1I1 – E2I2 – E3I3 =
Задача №7
В каком из уравнений составленных для определения токов ветвей методом уравнений Кирхгофа, допущена ошибка?1. I1 + I2 – I3 = 0.
2. E1 + E2 = I1R1 + I2R2.
3. E3 – E2 = I3R3 + E2R2

Задача №8
В каком из уравнений составленных по второму закону Кирхгофа для контурных токов допущена ошибка?
1. E1 = I11(R1 + R5 + R7) – I44 R5 – I22 R1.
2. E4 – E1 = I22(R1 + R8 + R6) – I11 R1 – I33 R6.
3. E2 + E4 = I33(R2 + R6) – I22 R6.
4. E3 = I44(R3 + R4 + R5) – I11 R5.
Задача №9
На какой потенциальной диаграмме допущена ошибка?
1. Для контура R1, E1, E2, R2

2.Для контура E3, R3, R2, E2, R8 3.Для контура E3, R3, R4,R7


4.Для контура E4, R6, R4, R5 5.Для внешнего контура E4, R6, R7, R8,E1, R1, R5

