Автомобиль ГАЗ-53А – Тормоза барабанного типа с гидравлическим тормозным приводом и гидровакуумным усилителем. Стояночный тормоз барабанный с механическим (ручным) управлением.
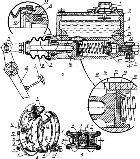
Гидравлический тормозной привод (рис. а) включает главный и соединенные с ним колесные цилиндры.
Корпус 3 главного цилиндра объединен с резервуаром рабочей жидкости. Крышка 2 корпуса имеет отверстие для заливки жидкости и пробку 1. В пробке сделано отверстие для сообщения полости резервуара с атмосферой и предусмотрен отражатель для предупреждения выплескивания жидкости.
В цилиндре помещен поршень 6 с уплотнительными манжетами, наружной 14 и внутренней 18, выпускной 22 и впускной 21 клапаны. Между поршнем 6 и манжетой 18 установлена шайба 17, зафиксированная стопорным кольцом 12. Возвратная пружина 5 прижимает поршень 6 к манжетам 14 и 18 и упорной шайбе 17. С противоположной стороны пружина поджимает к седлу впускной клапан 21, обеспечивая этим постоянное избыточное давление в гидравлической системе. Компенсационное отверстие 19 соединяет резервуар с рабочей полостью цилиндра, а перепускным отверстием 16 резервуар сообщается с полостью цилиндра, заключенной между манжетами 14 и 18. Колпак 7 защищает главный цилиндр от попадания в него пыли и влаги. С колесными цилиндрами главный цилиндр соединен трубопроводами — стальными трубками, гибкими шлангами и арматурой (штуцеры , муфты, тройники).
Колесный цилиндр (рис. 1, в) преобразует давление жидкости в механическое усилие на колодках тормоза. В корпусе 3 цилиндра помещены два поршня 1, уплотнительные манжеты 4 и пружина 2. С торцов цилиндр защищен колпачками 6. В поршни запрессованы сухари 5, в прорези которых заходят торцы тормозных колодок 5 (рис. б).
При нажатии на педаль рычага 10 (рис. 1, а) толкатель 8 перемещает поршень, который манжетой 18 перекрывает компенсационное отверстие 19, разобщая полость главного цилиндра с полостью резервуара. При последующем движении поршня открывается выпускной клапан 22, жидкость поступает из магистрали к колесным цилиндрам в полость, заключенную между манжетами 4 (рис. в) в корпусе 3, перемещает поршни 1 в направлении стрелок, и сухари 5 прижимают колодки 5 (рис. б) к тормозным барабанам.
При отпускании педали поршень под усилием пружин 5 и 9 (рис. а) возвращается в исходное положение. Под действием стяжных пружин 2 (рис. б) тормозных колодок 5 открывается впускной клапан 21 (рис. а) и жидкость поступает в главный цилиндр — давление в системе плавно уменьшается. При снижении давления до 0,08—0,12 МПа впускной клапан под воздействием пружины 5 закрывается и перетекание жидкости прекращается.
При обратном ходе поршня (оттормаживании) в рабочей полости главного тормозного цилиндра создается некоторое разрежение. Оно обусловлено тем, что заполнение цилиндра отстает от перемещения поршня вследствие слабого напора жидкости. Кроме того, трубопроводы системы и впускной клапан создают определенное гидравлическое сопротивление движению жидкости. В результате жидкость из резервуара через перепускное отверстие 16 (рис. а) и отверстие 15 в поршне просачивается в рабочую полость цилиндра, отжимая шайбу 17 и кромку внутренней манжеты 18. По мере перетекания жидкости из системы ее излишек в рабочей полости главного цилиндра поступает в резервуар через компенсационное отверстие 19.
На автомобилях и тракторах наиболее распространены тормозные механизмы барабанного типа (рис. б). Тормоз состоит из тормозного диска 6 с колесным цилиндром 1, двух колодок 5 с опорными пальцами 3, стяжной пружиной 2 и тормозного барабана.
Тормозные диски передних колес прикрепляются к фланцам цапф, а задних — к фланцам полуосевых рукавов моста. На диске установлены вверху колесный цилиндр 1, внизу — опорные пальцы 3 с бронзовыми эксцентриками 4, на которых размещены тормозные колодки 5.
Верхние концы ребер колодок входят в прорези толкателей поршней колесного цилиндра 1.
Колодки опираются на регулировочные эксцентрики 10 и прижимаются к ним пружиной 2. Проворачиванию эксцентриков препятствуют пружины 11. Скобы 8 с пластинчатыми пружинами 9, установленные на диске, удерживают колодки от боковых смещений. Эксцентрики 10 и 4 центрируют колодки относительно тормозного барабана.
Для обеспечения большей безопасности движения применяют колесные тормоза с раздельным гидравлическим приводом — двумя параллельно действующими контурами, причем при выходе из строя одного контура второй обеспечивает работоспособность системы.
Раздельный независимый привод для тормозов передних и задних колес включает главный тормозной цилиндр тандемного типа, два бачка для рабочей жидкости, приводы передних и задних тормозов, регулятор силы торможения задних колес с механическим приводом, педаль, трубопроводы и арматуру для подвода жидкости к тормозам. Устройство главного тормозного цилиндра привода таково, что при выходе из строя контура привода тормозов задних колес эффективность действия передних тормозов полностью сохраняется, и наоборот.

Рис. Тормозная система с гидравлическим приводом:
А — гидравлический привод - 1 — пробка; 2 — крышка корпуса; 3 — корпус; 4 — трубка; 5 — возвратная пружина; 6 - поршень; 7 - защитный колпак; 8 - толкатель; 9-пружина педали тормоза; 10 – рычаг педали; 11-вилка; 12 - стопорное кольцо; 13 — упорная шайба; 14- наружная манжета поршня; 15-отвепстие поршня; 16-перепускное отверстие; 17 - шайба ; 18-внутренняя манжета поршня; 19 - компенсационное отверстие; 20 - пружин выпускного клапана; 21-впускной клапан; 22 - выпускной клапан;
б - тормозной механизм: 1- колесный цилиндр; 2, 9, 11-пружины; 3 – палец; 4, 10-эксцентрики;5-колодки; 6-тормозной диск; 7 - накладка; 8 – скоба;
в - тормозной цилиндр: 1-поршень; 2-пружина; 3- корпус; 4 - манжета; 5 – сухарь; 6 — колпачок.