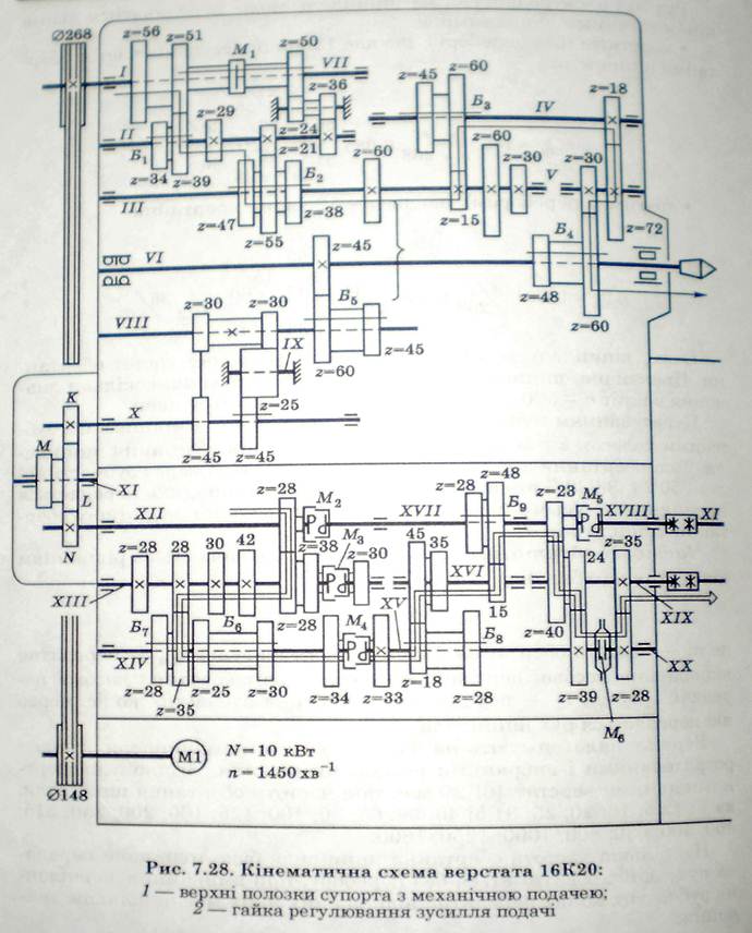
Кінематична схема токарно-гвинторізного верстата 16К20
Здійснення головного руху. Шпиндель дістає обертання від електродвигуна {N - 10 кВт, п= 1450 хв_1) через клинопасову передачу 148/268 і коробку швидкостей (рис.). Муфта M1 призначена для вмикання, вимикання; змінює напрямок обертання шпинделя.
Рух від електродвигуна на шпиндель може передаватися двома кінематичними ланцюгами:
♦ коротким (без перебору), що дає 12 вищих ступенів частот обертання шпинделя:

♦ довгим (з перебором ), що дає 12 частот обертання:

Отже, шпиндель верстата одержує 24 значення частот обертання. Практично, шпиндель має 22 частоти обертання, оскільки значення частот п = 500 хв-1 і п = 630 хв*1 повторюється двічі.
Пересуванням муфти М1 по валу І праворуч і з'єднанням її з зубчастим колесом z = 50 здійснюють реверсування обертання шпинделя. Тоді обертання з вала І на вал II передається через зубчасті колеса 50/24, 36/38, і він одержує зворотне обертання, яке передається на шпиндель. Усього може бути 12 варіантів частот зворотного обертання шпинделя.
Частоту обертання шпинделя визначають за рівнянням кінематичного балансу:
Верстат налагоджують на частоту обертання шпинделя згідно з розрахованими і вибраними режимами різання. Згідно з паспортними даними верстат 16К20 має такі частоти обертання шпинделя, иг> : 12.5; 16; 20; 25; 31.5; 40; 50; 63; 80; 100: 125; 160; 200; 250; 315; 400; 500; 630; 800; 1000; 1250; 1600.
Найбільша частота обертання шпинделя буде тоді, коли передача руху здійснюватиметься без перебору, при вмиканні в зачеплення зубчастих поліс, передатне відношення яких має найбільше значення:



Найменшу частоту обертання шпиндель одержить при передаванні руху через перебір, коли в зачеплення ввімкнені зубчасті колеса з найменшими передатними відношеннями (таке вмикання на схемі):