Инфракрасная сушильная камера
Инфракрасная сушильная камера предназначена для сушки продуктов питания растительного и животного происхождения.
|
|
Технические характеристики Габаритные размеры, мм: высота – 2300; глубина – 1100; ширина – 1550. Размеры рабочей камеры, мм: высота – 2000; глубина – 900; ширина – 960. Количество лотков – 9…18. Площадь лотка, м2 – 0,9 не менее. Расстояние между лотками, мм – 200…100. Масса, кг – 120 не более. Максимальная мощность, кВт – 16. Источник излучения – лампа накаливания (3000К) мощностью, Вт – 150. Количество ламп на лоток – 6. Рабочая температура,ºС – 25…50. Вытяжной вентилятор, м3/час – 260. |
ИК-сушка обеспечивает сохранность качеств исходной продукции, управляемость процесса, конструктивную и технологическую экономичность, экологическую чистоту.
Эти свойства ИК-сушки обусловлены реализованным в ней принципом разделения способа передачи продукту сушки энергии (необходима для осуществления процесса сушки) и среды (транспортирует влагу). Так, если в конвективном способе сушки транспорт энергии и влаги осуществляется одним носителем – воздухом, то при инфракрасной сушке энергия передается излучением, а влага уносится воздухом. Это позволяет осуществлять процесс сушки при значениях температуры, не превышающих температуру распада биологически активных компонент исходного продукта сушки.
Использование в качестве источников энергии инфракрасных излучателей обеспечивает высокую управляемость процесса сушки как пространственную (управление распределением потоков энергии внутри объема), так и временную (динамичное управление энергетической нагрузкой в процессе сушки).
Низкие температуры в рабочих объемах существенно упрощают конструкцию ИК сушильных устройств, не нужны герметизация объема и его теплоизоляция. Энергия излучения используется только на процесс испарения влаги из продукта, благодаря чему воздух в рабочем объеме нагревается незначительно. Это позволяет отказаться от рециркуляции воздуха в сушильных устройствах и использовать только систему принудительной вентиляции рабочего объема. Такое «однократное» использование воздуха обеспечивает низкие значения влажности в объеме, где происходит сушка
Для ИК сушки в условиях небольших предприятий используют универсальные по отношению к продукту сушильные устройства камерного типа. Известным техническим решением такого сушильного устройства является сушильная камера, в которой установлены сетчатые лотки с продуктом, над поверхностью лотков размещаются источники излучения (рис.1а). Недостатками таких устройств является неравномерное облучение источниками излучения продукта на лотках, низкая объемная производительность из-за большого расстояния между лотками, высокая трудоемкость загрузки и выгрузки каждого лотка в отдельности, опасность разрушения источника излучения при установке лотка в камеру или его выемке из камеры.
Нами предложено устройство ИК сушильной камеры (рис.1б), в котором источники излучения вынесены за пределы рабочего объема камеры.
Для передачи потока излучения к продукту сушки источники оснащены отражателями. Конструктивно отражатели представляют собой спрофилированные отражающие поверхности, геометрическая форма которых обеспечивает равномерную по плоскости лотка передачу энергии излучения от источника.
|
а) б) |
1 – источник излучения; 2 – сетчатый лоток с продуктом сушки; 3 – устройство забора воздуха; 4 – вытяжной вентилятор; 5 – отражатель. Рис.1. ИК сушильная камера |
Устройство позволяет не только равномерно облучать продукт сушки, но и существенно уменьшить расстояние между лотками. Все лотки размещаются на одной тележке, которая помещается в рабочий объем. Такое конструктивное решение снижает трудоемкость загрузки и выгрузки без опасности разрушить источники излучения.
Высокая рабочая температура источника излучения позволяет получать необходимую энергию при малых геометрических размерах самого источника. Малые геометрические размеры источника излучения обусловливают низкие потери энергии на конвективный обмен теплом с окружающим воздухом.
Низкие значения температуры и влажности в сушильной камере позволяют использовать недорогостоящие нестойкие к коррозии конструкционные материалы, а также отказаться от теплоизоляции корпуса сушильного устройства и его герметизации.
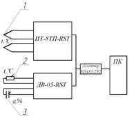
В процессе сушки раздельно управляются тепловой поток и расход воздуха в рабочем объеме. Средствами контроля служат датчики температуры и влажности (рис.2). Контроль осуществляется с помощью контроллера, оснащенного собственным цифровым индикатором и кнопками выбора наблюдаемого параметра (температура или влажность).
|
|
1 – термопара ТХА; 2 – термистор NTC-633; 3 – емкостной датчик влажности HIH-3610; ИТ-8ТП-RST – контроллер датчиков температуры; ДВ-05-RST – контроллер датчика влажности; ПК – персональный компьютер. Рис. 2. Схема КИП сушильной камеры |
|
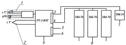
1 – преобразователь относительной влажности воздуха ДВ-03; 2 - термопара ТХА; 3,4 – импульсный выход по напряжению с ПИД регулированием; 5.6 - импульсные выходы энергонезависимого реле времени; 7 - напряжение питания вытяжного вентилятора; 8 – напряжение питания ИК-ламп; 9 –выход RS-485. Рис.3. Система автоматизации процесса сушки в ИК камере. |
Система автоматизации (рис.3) использует симисторные усилители мощности, управляемые контроллером. Усилители обеспечивают мощность питания потребителя энергии до 20КВт, а контроллер позволяет задавать различные программы управления.
Процесс сушки
Плоды на лотки выкладывается либо целыми, либо ломтиками, а овощи – нарезанные «соломкой». Целые плоды перед сушкой бланшируют. На лоток размещается до 10кг плодов, нарезанных ломтиками, или до 5 кг нарезанных «соломкой» овощей.
Процесс сушки включает в себя три этапа: разогрев, сушка и выдержка.
Сушка овощей
Общее время сушки «соломки» овощей составляет 8 часов для моркови и свеклы. Готовый продукт теряет в массе 80%. Разогрев длится 30мин и реализуется полной излучательной нагрузкой без вентиляции. Сушка длится 560мин и реализуется полной излучательной нагрузкой с включенной вентиляцией, обеспечивающей объемный обмен воздухом 150м3/час. Выдержка или отволаживание длится 30мин и реализуется только вентиляцией рабочего объема камеры с объемным расходом воздуха 150м3/час.
Энергетические затраты на процесс сушки «соломки» моркови и свеклы составляют 4,9×МДж/кг (1,36 КВт×час/кг) испаренной влаги или 19,6×МДж/кг (5,44 КВт×час/кг) готовой продукции.
|
Рис.4. Температурная и влажностная кривые сушки моркови. |
Рис.5. Сушеные свекла и морковь. |
Сушка плодов
Общее время сушки ломтиков яблок составляет 6 часов. Готовый продукт теряет в массе 70%. Разогрев длится 25мин и реализуется полной излучательной нагрузкой без вентиляции. Сушка длится 300мин и реализуется полной излучательной нагрузкой с включенной вентиляцией, обеспечивающей объемный обмен воздухом 100м3/час. Выдержка длится 35мин и реализуется только вентиляцией рабочего объема камеры с объемным расходом воздуха 100м3/час.
|
Рис.6. Сушеные яблоки. |
Рис.7. Сушеная мята. |
Энергетические затраты на процесс сушки ломтиков яблок составляют 4,6 МДж/кг (1,28 КВт×час/кг) испаренной влаги или 11,5×МДж/кг (3,2 КВт×час/кг) готовой продукции.
Температура в рабочем объеме в процессе сушки не превышает 35°С, а влажность изменяется в пределах 26-70%. Температура плодов в процессе сушки не превышает 40°С.
Степень обезвоживания продукта сушки в различных зонах лотков и на различных лотках практически одинакова, различия в потере массы не превышают 5%. Плоды и овощи после сушки сохраняют свой цвет и запах. Поверхность сушеного продукта не имеет потемнений, характерных для конвективного способа сушки.
Технико-экономическое обоснование производства сушеных яблок
|
(упаковка - пластиковый контейнер, 100 г) |
|||
|
Расчет себестоимости производства сушеных яблок |
кг/лоток |
||
|
Расход сырья, кг/смену |
240 |
||
|
Количество рабочих смен в месяц |
72 |
||
|
Выход готового продукта, % |
30 |
||
|
Выход готового продукта, кг/месяц |
5184,00 |
||
|
Расходы на производство, грн/месяц |
75366,76 |
||
|
Себестоимость, грн/кг |
14,67 |
||
|
Оптовая наценка, % |
15,00 |
Розница |
|
|
Отпускная цена, грн/кг |
16,87 |
20,24 |
|
|
Цена упаковки, грн |
1,69 |
2,02 |
|
|
Вес упаковки, гр |
100 |
||
|
Чистый доход, грн/месяц |
9048,01 |
45240,051 |
грн/сезон |
|
Рентабельность производства, % |
12,01 |
||
|
Срок окупаемости, лет |
1,46 |
||
|
Состав расходов на производство. |
|||
|
1. Сырье, грн/месяц |
17280,00 |
||
|
К-во |
Цена, грн |
Всего, грн |
|
|
Яблоки |
17280 |
1 |
17280 |
|
2. Зарплата персонала, грн/месяц |
8064 |
||
|
Начальник цеха, грн/час |
8 |
4608 |
грн/месяц |
|
Оператор сушильной установки, грн/час |
6 |
3456 |
грн/месяц |
|
Рабочее время, час/месяц |
576 |
||
|
Количество смен в месяц |
72 |
||
|
Рабочее время смены, час |
8 |
||
|
3. Электроэнергия, грн/месяц |
7807,68 |
||
|
тариф, грн/кВт*ч |
0,25 |
||
|
Потребление энергии, кВт*ч/сутки |
216,88 |
0,45 |
20 |
|
Сушильная установка, кВт*ч |
27 |
||
|
Шинковка, кВт*ч |
0,1 |
||
|
Вспомагательное оборудование, кВт*ч |
0,01 |
||
|
4. Транспорт, грн/месяц |
1440 |
||
|
Транспортировка сырья на одну загрузку |
20 |
||
|
5. Упаковка, грн/месяц |
36288,07 |
100 |
|
|
Вес продукта в одной упаковке, кг |
0,1 |
||
|
Количество порций, шт |
51840 |
0,3 |
|
|
Стоимость упаковки, грн/шт |
0,7 |
||
|
Стоимость этикетки, грн/шт |
0,1 |
0,1273148 |
|
|
6. Амортизация оборудования, грн/кг |
0,13 |
||
|
Срок окупаемости, лет |
1,46 |
||
|
Амортизационные отчисления, % |
5,00 |
0,05 |
|
|
Стоимость цеха, грн: |
66000 |
||
|
Шинковка |
5000 |
||
|
Сушильная установка |
40000 |
2 |
20000 |
|
Моечные ванны |
500 |
||
|
Сортировальный стол |
500 |
||
|
Проект и реконструкция цеха |
20000 |
||
|
Количество рабочих месяцев в году |
5 |
||
|
Производительность цеха, кг/сезон |
25920 |
5184 |
кг/месяц |
|
7. Расходные материалы, грн/месяц |
1100 |
||
|
Анализы в СЭС и ветслужбе, грн/мес |
1000 |
||
|
Моющие и дез. средства (ЖавельКлейд) |
100 |
||
|
8. Налоги, грн/месяц |
5648,88 |
||
|
Отчисления на зарплату (42%) |
3386,88 |
||
|
Налог на прибыль (25%) |
2262,00 |







