Компресор пневматичного приводу.
Компресор призначений для стиснення атмосферного повітря.
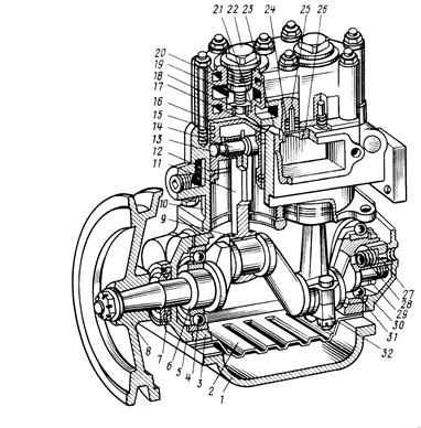
Компресор має блок циліндрів 10, закритий зверху головкою 20, шпилькою, що кріпиться до нього, і картер 3, закритий знизу, спереду і ззаду кришками 5 і 30. У картері 3 на двох шарико-підшипниках 4 обертається колінчастий вал, на конічному кінці якого закріплений приводний шків. У задньому торці валу встановлений ущільнювач, пружиною що підтискається до задньої кришки 30, до якої по трубці підводиться масло з системи мастила двигуна. На колінчастому валу 6 встановлені шатуни 11, пов'язані з поршнями 16 за допомогою плаваючих пальців 14 із стопорними кільцями. На головці поршня встановлені два компресійні кільця 15, на юбці одне маслоз'ємне 12.
У верхній частині блоку 10 розташовані сідла 17 пластинчастих клапанів впускань 25, притискуваних до сідел пружинами 24.

Рис. 21.14.1 Компресор
1 - нижня кришка блоку циліндрів двигуна; 2 - запобіжна кришка картера компресора; 3 - картер компресора; 4 - передній шарикопідшипник; S - передня кришка картера; 6 - колінчастий вал; 7 - передній сальник колінчастого валу; 8 - шків приводу компресора; 9 - вкладиш шатунних підшипників; 10 - блок циліндрів; 11 - шатун; 12 - маслоз'ємне кільце поршня; 13 — заглушка поршневого пальця; 14 ~ поршневий палець; 15 — компресійне кільце поршня; 16 — поршень; 17 — сідло клапана впускання; 18 — сідло нагнітального клапана; 19 - пружина нагнітального клапана; 20 - головка циліндрів компресора; 21 — нагнітальний клапан; 22 — пробка нагнітального клапана; 23 - канал підведення повітря в циліндр; 24 - пружина клапана впускання; 25 — клапан впускання; 26 — направляюча клапана впускання; 27 — ущільнювач задньої кришки картера; 28 - пружина ущільнювача; 29 — гайка; 30 — задня кришка картера; 31 - задній шарикопідшипник колінчастого валу; 32 - кришка шатуна
У головці 20 встановлені пластинчасті нагнітальні клапани 21, притискувані до своїх сідел пружиною 19.
Верхня частина блоку і головка мають сорочку охолоджування, пов'язану з системою охолоджування двигуна.
Масло до шатунних підшипників, що мають сталебабітові знімні вкладиші 9, поступає по каналах, виконаних в колінчастому валу 6.
Корінні підшипники, поршневі пальці і стінки циліндрів змажуть розбризкуванням. Надлишок масла зливається через отвір в кришці картера і стікає в масляний картер двигуна.
Привід компресора може бути ремінною або зубчатими колесами.
При роботі компресора повітря поступає з повітряного фільтру двигуна або з випускного трубопроводу і при русі поршня вниз засмоктується в циліндр через клапан впускання 25. При такті стиснення клапан впускання 25 закривається, а нагнітальний 21 підіймається і стисле повітря нагнітається по трубопроводах в повітряні балони.
Оскільки кривошипи колінчастого валу розташовані під кутом 1800, то в різних циліндрах компресора одночасно відбуваються різні процеси (впускання або стиснення).